股票十倍杠杆-今日市场最好股票-【东方资本】,股票配资开发,当一个女人开始炒股,玩股票的男人能不能要

六軸智能協作機械臂

Z-Arm S622

首頁 / 六軸協作機械臂 / Z-Arm S622
播放視頻
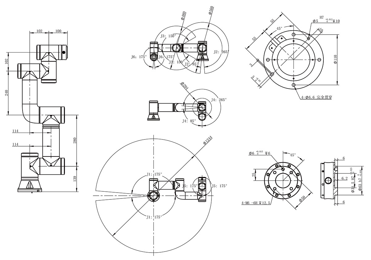
  • 工作半徑:622mm
  • 重復定位精度:±0.02mm
  • 有效負載: 3KG
  • 支持正裝、垂直側裝、倒裝
  • 具有碰撞檢測功能, 允許自定義碰撞等級
播放視頻
  • 工作半徑:622mm
  • 重復定位精度:±0.02mm
  • 有效負載: 3KG
  • 支持正裝、垂直側裝、倒裝
  • 具有碰撞檢測功能, 允許自定義碰撞等級

Z-Arm S622 核心參數

重量 ≈15kg
有效負載 3kg
工作半徑 622mm
關節活動范圍 軟件限位極限 1軸:±175° 2軸:+85°,-265° 3軸:±150°
4軸:+85°,-265° 5軸:±175° 6軸:±175°
典型TCP速度 1m/s
重復定位精度 ±0.02mm
安裝面積 φ128mm
安裝方向 正裝、垂直側裝、倒裝
控制箱尺寸 245*180*44.5mm
自由度 6
末端I/O端口 數字輸入(DI):2 ; 數字輸出(DO):2
模擬輸入(AI):1 ; 模擬輸出(AO):1
控制箱I/O端口 數字輸入(DI):16;? 數字輸出(DO):16
模擬輸入(AI):2;? 模擬輸出(AO):2
I/O電源 24V/1.5A
通訊 I/O、TCP/IP、Modbus_TCP/RTU、Proflnet
開發環境 C#/C++/Python/java/ROS
噪聲 <65dB
防護等級 IP54
協調操作 具有碰撞檢測功能,允許自定義碰撞等級
供電 220V/50HZ
使用環境 ·遠離腐蝕性氣體、液體及爆炸性氣體
·遠離振動,且振動強度不高于 0.5G
·避免設備在電流的不穩定條件下工作
·避免塵土、煙霧及水
使用溫度范圍 0~45℃
使用濕度范圍 20~80%RH(不結露)
出線規格 線長3.7m(不能走拖鏈)

備注:由于產品不斷推新迭代,產品參數如有變更,恕不另行通知。

產品詳情

相關產品

相關產品